SIMCO Power unit HBA电源产品说明:
SIMCO Power unit HBA是为离子风枪而开发的低成本专用电源装置。

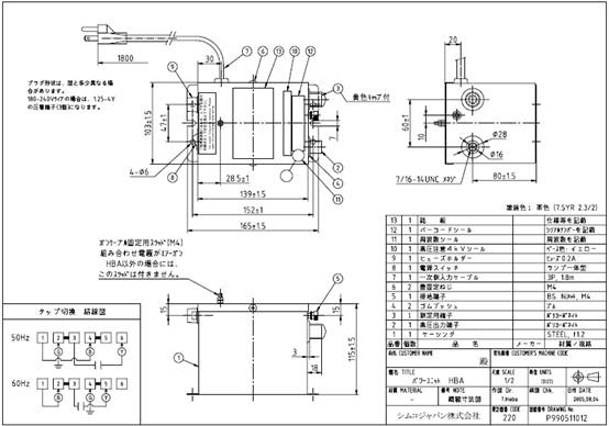
SIMCO Power unit HBA电源产品图片:

SIMCO Power unit HBA电源产品规格:
|
型号 |
电源装置HBA |
|
适用规格 |
- |
|
输入电压(单相) |
AC90~120V |
|
输入周波数 |
50Hz、60Hz 個別指定 |
|
二次侧定格输出电压 |
AC4kV |
|
二次侧短絡电流(max) |
0.4mA |
|
消耗电力(max) |
30VA |
|
输入端子数 |
1个 |
|
开关/指示灯 |
附一体型指示灯开关 |
|
保险丝 |
0.2A |
|
外形尺寸W×D×H(含安装、mm) |
165×0.3×115 |
|
重量 |
约3.8kg |
|
异常检测回路 |
无 |
|
离子平衡回路 |
无 |
SIMCO Power unit HBA电源产品分解图:
※本产品全部是非防爆构造。请不要在溶剂、易燃性地方等「危险地方」的使用。